
| 項目 | V9101iW | |
|---|---|---|
| 電源 | 定格電圧 | DC品DC24V |
| 電圧許容範囲 | DC品±10% | |
| 許容瞬時停電時間 | DC品1ms以内 | |
| 消費電力 (最大定格) | DC品27W以下 | |
| 絶縁抵抗 | DC500V 10MΩ以上 | |
| 物理的環境 | 使用周囲温度 | 0~50℃ ※1 |
| 使用周囲湿度 | 85%RH以下(結露なきこと) ※1 | |
| 使用高度 | 標高2000m以下 | |
| 使用雰囲気 | 腐蝕性ガスなく、塵埃がひどくないこと (導電性塵埃なきこと) | |
| 保存周囲温度 | -10~60℃ ※1 | |
| 保存周囲湿度 | 85%RH以下(結露なきこと) ※1 | |
| 過電圧カテゴリ | カテゴリII | |
| 汚損度 | 汚損度2 | |
| 機械的稼働条件 | 耐振動 | JIS B 3502(IEC61131-2)準拠 振動周波数 5~9Hz 片振幅: 3.5 mm、 9~150Hz 定加速度: 9.8m/s2(1G)、 X,Y,Z 3方向 各10回 |
| 耐衝撃 | JIS B 3502(IEC61131-2)準拠 ピーク加速度: 147m/s2(15G)、 X,Y,Z 3方向 各3回(計18回) | |
| 電気的稼働条件 | 耐ノイズ | ノイズ電圧1000Vp-p、パルス幅1μs、立上り時間1ns |
| 耐静電気放電 | IEC61000-4-2に準拠、接触6kV、気中8kV | |
| 設置条件 | 接地 | D種接地(第3種接地)、FG/SG分離 |
| 保護構造 | パネル前面:IP66相当、 Type4X/13(防水パッキン使用時) ※2 リアケース:IP20相当 | |
| 構造 | 形状:一体形 取付方法:パネル埋込取付 | |
| 冷却方式 | 自然空冷 | |
| 外形寸法 W×H×D(mm) | 278.5×198.5×54.4 | |
| パネルカット W×H(mm) | 257.0×183.0(+0.5/-0) | |
| 質量(本体のみ) | 約1.7 kg | |
| ケース色 | ライトグレー | |
| 材質 | PC樹脂 | |
| 項目 | V9101iW | |
|---|---|---|
| 画面メモリ(FROM) | 64Mバイト | |
| バックアップメモリ (SRAM) | 800Kバイト | |
| 表示部仕様 | 表示デバイス | TFTカラー |
| 表示分解能 | 1024×600 | |
| 表示サイズ | 10.1型ワイド | |
| 表示色 | 1,677 万色 ※3 | |
| バックライト | LED | |
| バックライト寿命 | 50,000時間 | |
| タッチスイッチ仕様 | 方式 | 静電容量 |
| 外部インターフェース | D-Sub9ピン (CN1) | RS-232C、RS-485(2線式)、RS-422(4線式) 調歩同期式 データ長:7、8ビット パリティ:偶数、奇数、なし ストップビット:1、2ビット 伝送速度:4800、9600、19200、38400、57600、76800、115200、187500 ※4 bps |
| モジュラー8ピン (MJ1/MJ2) | RS-232C、RS-485(2線式) 調歩同期式 データ長:7、8ビット パリティ:偶数、奇数、なし ストップビット:1、2ビット 伝送速度:4800、9600、19200、38400、57600、76800、115200bps | |
| SDカード | 1スロット 標準装備 | |
| Ethernet | 2CH 伝送速度:100Mbps、10Mbps | |
| 無線LAN | IEEE802.11b/g/n準拠(2.4GHz) ※5 | |
| USB | Type A、Type mini-B(Ver.2.0) | |
| 音声出力 | 1CH 標準装備 | |
| 時計 | バックアップ期間 | 5年(周囲温度25℃) |
| カレンダ精度 | 月差 ±90秒(無通電、周囲温度25℃、電池バックアップ時) | |
| 適応規格 | CEマーキング | EN61000-6-2、EN61000-6-4 |
| UL・cUL | UL61010-1/UL61010-2-201(E313548) ※6 | |
| KC | 対応 | |
| 電波法 ※5 | 日本:TELEC アメリカ:FCC カナダ:IC RSS 欧州:RE 韓国:KC | |
| 船級規格 | - | |
(単位:mm)
| 側面図 | 正面図 | 背面図 |
|---|---|---|
![]() | ![]() | ![]() |
| 下面図 | パネルカット |
|---|---|
![]() | ![]() |
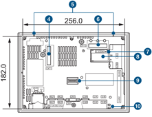
ディスプレイ
ファンクションスイッチ
Power ランプ
通信インターフェースユニット用コネクタ(EXT1)
脱落防止用ツメ
オプションユニット用コネクタ(EXT2)
SD カードアクセスLED
電池ホルダ
ディップスイッチ
USB ケーブル固定用穴
SD カード用コネクタ(SD)
音声出力用コネクタ(Audio)
電源入力端子台
モジュラージャック1(MJ1)
モジュラージャック2(MJ2)
PLC 通信コネクタ(CN1)
100Base-Tx/10Base-T用コネクタ(LAN)
USB-A(U-A)
USB mini-B(U-B)
取付穴
無線LAN外付アンテナ用コネクタ
100Base-Tx/10Base-T用コネクタ(LAN2) 

